| Status de disponibilidade: | |
|---|---|
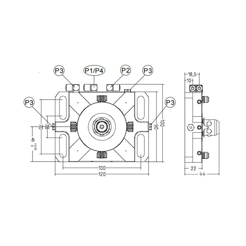
Pofi Wedm Chuck Flat Chuck pneumático o mesmo que ER-035714.
Versão: Chuck pneumático para um ajuste direto à base z = 0 do centro WEDM.
Aplicação: em centros WEDM com carregamento manual ou automático de peça de trabalho.
Conexões: ao lado para abrir, limpar, reclamar.


Pofi Wedm Chuck Flat Chuck pneumático o mesmo que ER-035714.
Versão: Chuck pneumático para um ajuste direto à base z = 0 do centro WEDM.
Aplicação: em centros WEDM com carregamento manual ou automático de peça de trabalho.
Conexões: ao lado para abrir, limpar, reclamar.

